第三種電気主任技術者(電験三種) 過去問
令和7年度(2025年)上期
問56 (機械 問14)
問題文
このページは閲覧用ページです。
履歴を残すには、 「新しく出題する(ここをクリック)」 をご利用ください。
問題
第三種電気主任技術者(電験三種)試験 令和7年度(2025年)上期 問56(機械 問14) (訂正依頼・報告はこちら)
正解!素晴らしいです
残念...
MENU
あ
か
さ
た
な
は
ま
や
ら
あん摩マッサージ指圧師
1級管工事施工管理技士
1級建築施工管理技士
1級電気工事施工管理技士
1級土木施工管理技士
運行管理者(貨物)
2級ファイナンシャル・プランニング技能士(FP2級)
3級ファイナンシャル・プランニング技能士(FP3級)
貸金業務取扱主任者
危険物取扱者(乙4)
給水装置工事主任技術者
クレーン・デリック運転士
ケアマネジャー(介護支援専門員)
国内旅行業務取扱管理者
社会保険労務士(社労士)
大学入学共通テスト(国語)
大学入学共通テスト(地理歴史)
大学入学共通テスト(公民)
大学入学共通テスト(数学)
大学入学共通テスト(理科)
大学入学共通テスト(情報)
大学入学共通テスト(英語)
第三種電気主任技術者(電験三種)
宅地建物取引士(宅建士)
調剤報酬請求事務技能認定
賃貸不動産経営管理士
2級管工事施工管理技士
2級建築施工管理技士
2級電気工事施工管理技士
2級土木施工管理技士
JLPT(日本語能力)
建築物環境衛生管理技術者(ビル管理士)
問題文
このページは閲覧用ページです。
履歴を残すには、 「新しく出題する(ここをクリック)」 をご利用ください。
第三種電気主任技術者(電験三種)試験 令和7年度(2025年)上期 問56(機械 問14) (訂正依頼・報告はこちら)
正解!素晴らしいです
残念...
この過去問の解説 (1件)
01
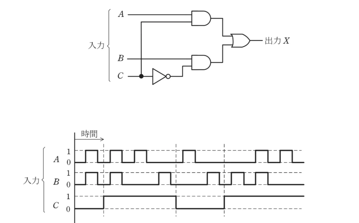
図の論理回路から出力Xの論理式はA & C | B & !Cで、Cが1のときはAが出力され、Cが0のときはBの値が出力されます。
よって、出力XはB_A_A_A_B_B_A_A_A→1_1_1_0_0_1_0_1_1となります。
後ろから2番目の出力が0となっているため誤りです。
後ろから4番目の出力が0となっているため誤りです。
この選択肢は正解です。
前から3番目の出力が0、後ろから1番目の出力が0となっているため誤りです。
前から3番目の出力が0、前から4番目の出力が1、後ろから1番目の出力が0となっているため誤りです。
参考になった数0
この解説の修正を提案する
前の問題(問55)へ
令和7年度(2025年)上期 問題一覧
次の問題(問57)へ