第三種電気主任技術者(電験三種) 過去問
令和7年度(2025年)上期
問52 (機械 問10)
問題文
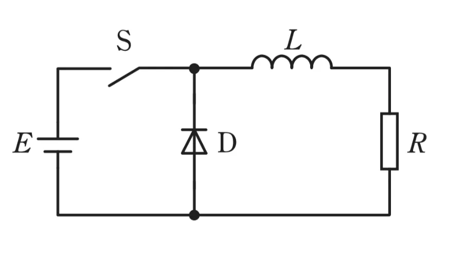
直流電源電圧E=400V,平滑リアクトルL=1mH,負荷抵抗R=10Ω,スイッチSの動作周波数f=10kHz,通流率d=0.6で回路が定常状態になっている。Dはダイオードである。このとき負荷抵抗に流れる電流の平均値[A]として最も近いものを次の選択肢のうちから一つ選べ。
このページは閲覧用ページです。
履歴を残すには、 「新しく出題する(ここをクリック)」 をご利用ください。
問題
第三種電気主任技術者(電験三種)試験 令和7年度(2025年)上期 問52(機械 問10) (訂正依頼・報告はこちら)
直流電源電圧E=400V,平滑リアクトルL=1mH,負荷抵抗R=10Ω,スイッチSの動作周波数f=10kHz,通流率d=0.6で回路が定常状態になっている。Dはダイオードである。このとき負荷抵抗に流れる電流の平均値[A]として最も近いものを次の選択肢のうちから一つ選べ。
- 40.0
- 24.0
- 16.0
- 3.8
- 2.5
正解!素晴らしいです
残念...
この過去問の解説 (1件)
01
この問題は直流チョッパの基本式と、インダクタ電流が連続電流とみなせることを利用して解きます。
直流チョッパの基本式より、平均出力電圧は通電率d×直流電源電圧Eで求められます。
直流電源電圧E=400[V]、通流率d=0.6なので、平均出力電圧は0.6×400=240[V]となります。
よって、負荷は10[Ω]のため、負荷抵抗に流れる電流の平均値は240/10=24[A]となります。
この選択肢は誤りです。
この選択肢は正解です。
この選択肢は誤りです。
この選択肢は誤りです。
この選択肢は誤りです。
参考になった数0
この解説の修正を提案する
前の問題(問51)へ
令和7年度(2025年)上期 問題一覧
次の問題(問53)へ