第三種電気主任技術者(電験三種) 過去問
令和7年度(2025年)上期
問21 (理論 問18(a))
問題文
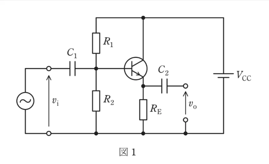
図1の回路でVCC=9V,R1=3kΩ,R2=6kΩとする。動作点におけるエミッタ電流を2mAとしたい。抵抗REの値[kΩ]として、最も近いものを次の選択肢のうちから一つ選べ。ただし、動作点において、ベース電流はR2を流れる直流電流より十分小さく無視できるものとし、ベース−エミッタ間電圧は0.7Vとする。
このページは閲覧用ページです。
履歴を残すには、 「新しく出題する(ここをクリック)」 をご利用ください。
問題
第三種電気主任技術者(電験三種)試験 令和7年度(2025年)上期 問21(理論 問18(a)) (訂正依頼・報告はこちら)
図1の回路でVCC=9V,R1=3kΩ,R2=6kΩとする。動作点におけるエミッタ電流を2mAとしたい。抵抗REの値[kΩ]として、最も近いものを次の選択肢のうちから一つ選べ。ただし、動作点において、ベース電流はR2を流れる直流電流より十分小さく無視できるものとし、ベース−エミッタ間電圧は0.7Vとする。
- 0.36
- 1.5
- 2.7
- 4.7
- 7.5
正解!素晴らしいです
残念...
この過去問の解説 (1件)
01
この問題では、分圧回路により決まるベース電圧からエミッタ電圧を求め、所望のエミッタ電流になるようにエミッタ抵抗の値を計算します。
動作点においてベース電流は無視できるため、R1とR2による分圧電圧がそのままベース電圧になります。次に、ベース−エミッタ間電圧を差し引いてエミッタ電圧を求め、エミッタ電流との関係から抵抗REを決定します。
R1とR2による分圧からベース電圧は9×6/(3+6)=6Vとなります。
エミッタ電圧は6−0.7=5.3Vであり、エミッタ電流2mAより
RE=5.3/0.002=2.65kΩとなります。
この値とは大きく異なるため、この選択肢は誤りです。
計算より求められるREは約2.65kΩであり、この値は明らかに小さすぎます。
したがって、この選択肢は誤りです。
ベース電圧6V、エミッタ電圧5.3V、エミッタ電流2mAより
RE=5.3/0.002=2.65kΩとなります。
最も近い値は2.7kΩであり、この選択肢は正解です。
求められる抵抗値は約2.65kΩであり、この値はそれより大きすぎます。
そのため、この選択肢は誤りです。
エミッタ電流2mAを流すためには約2.65kΩが必要であり、この値は過大です。
したがって、この選択肢は誤りです。
参考になった数6
この解説の修正を提案する
前の問題(問20)へ
令和7年度(2025年)上期 問題一覧
次の問題(問22)へ