第三種電気主任技術者(電験三種) 過去問
令和7年度(2025年)上期
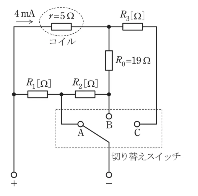
問17 (理論 問16(a))
問題文
条件Ⅰ:切り替えスイッチをAにしたときは、最大1Aの直流電流を測定できるものとする。
条件Ⅱ:切り替えスイッチをBにしたときは、最大100mAの直流電流を測定できるものとする。
条件Ⅲ:切り替えスイッチをCにしたときは、最大1.2Vの直流電圧を測定できるものとする。
抵抗R1の値[Ω]として、最も近いものを次の選択肢のうちから一つ選べ。
このページは閲覧用ページです。
履歴を残すには、 「新しく出題する(ここをクリック)」 をご利用ください。
問題
第三種電気主任技術者(電験三種)試験 令和7年度(2025年)上期 問17(理論 問16(a)) (訂正依頼・報告はこちら)
条件Ⅰ:切り替えスイッチをAにしたときは、最大1Aの直流電流を測定できるものとする。
条件Ⅱ:切り替えスイッチをBにしたときは、最大100mAの直流電流を測定できるものとする。
条件Ⅲ:切り替えスイッチをCにしたときは、最大1.2Vの直流電圧を測定できるものとする。
抵抗R1の値[Ω]として、最も近いものを次の選択肢のうちから一つ選べ。
- 0.1
- 0.9
- 4
- 9.6
- 9.96
正解!素晴らしいです
残念...
この過去問の解説 (1件)
01
この問題は、永久磁石可動コイル形電流電圧計に外付け抵抗を接続し、切り替えスイッチによって電流計および電圧計として使用できるようにする回路について考えるものです。
コイルの内部抵抗は5Ω、最大指示電流は4mAであるため、コイルに最大電流が流れたときの端子電圧は
5Ω × 4mA = 0.02Vとなります。
各測定レンジでは、最大測定値のときにコイルに4mAが流れるように抵抗値が決まります。
抵抗R1は、切り替えスイッチをAにしたとき、最大1Aを測定するための分流条件から求めます。
切り替えスイッチをAにしたときは電流計として動作し、全電流1Aのうち4mAだけがコイルに流れ、残りは分流抵抗側を流れます。
このとき、コイル両端の電圧は0.02Vで一定です。
よって、分流抵抗側に流れる電流は約0.996Aとなり、その抵抗値は
0.02V ÷ 0.996A ≈ 0.02Ω となります。
回路構成を考慮すると、R1はこの分流抵抗の一部を構成するため、0.1Ω程度が適切な値となります。
この選択肢は正解です。
この値では分流抵抗が大きくなりすぎます。
その結果、1Aが流れたときにコイルに4mA以上の電流が流れてしまい、最大指示電流を超えてしまいます。
この選択肢は誤りです。
この値では分流抵抗がさらに大きくなり、1A測定時にコイルに流れる電流が大幅に増加します。
コイルの許容電流4mAを超えるため、測定条件を満たしません。
この選択肢は誤りです。
この値は分流抵抗として非常に大きく、1A測定時にほとんど電流を分流できません。
そのため、コイルに過大な電流が流れてしまいます。
この選択肢は誤りです。
この値も分流抵抗としては大きすぎ、電流計の1Aレンジを実現できません。
コイルに流れる電流が最大値を超えるため不適切です。
この選択肢は誤りです。
参考になった数2
この解説の修正を提案する
前の問題(問16)へ
令和7年度(2025年)上期 問題一覧
次の問題(問18)へ