第三種電気主任技術者(電験三種) 過去問
令和7年度(2025年)上期
問16 (理論 問15(b))

このページは閲覧用ページです。
履歴を残すには、 「新しく出題する(ここをクリック)」 をご利用ください。

問題

第三種電気主任技術者(電験三種)試験 令和7年度(2025年)上期 問16(理論 問15(b)) (訂正依頼・報告はこちら)

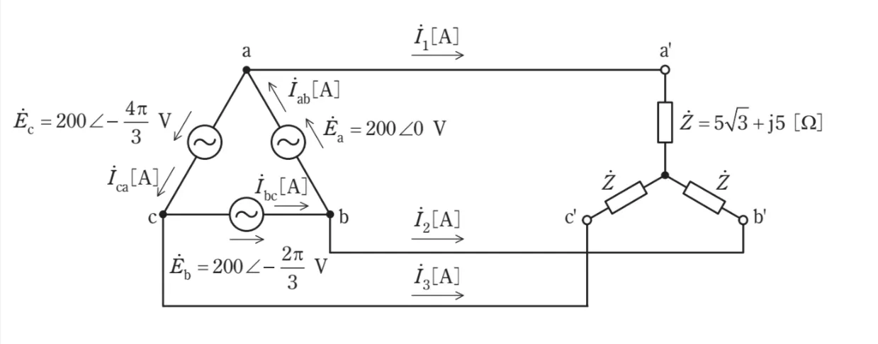
図のように、相電圧200Vの対称三相交流電源に、複素インピーダンスZ=5√3+j5[Ω]の負荷がY結線された平衡三相負荷を接続した回路がある。次の問いに答えよ。

電流Iabの値[A]として、最も近いものを次の選択肢のうちから一つ選べ。
問題文の画像
  • 解答選択肢の画像
  • 解答選択肢の画像
  • 解答選択肢の画像
  • 解答選択肢の画像
  • 解答選択肢の画像

次の問題へ

正解!素晴らしいです

残念...

この過去問の解説 (1件)

01

この問題は、対称三相交流電源のΔ結線部分に流れる電流を求める問題です。

負荷はY結線で平衡しているため、まず負荷側の相電流を求めます。

相電圧は線間電圧200Vを√3で割り、位相を−π/6だけ遅らせた値になります。

負荷インピーダンスは Z=5√3+j5 であり、大きさは10Ω、偏角はπ/6です。
したがって相電流は
I = 200/√3(-π/6)/10 (π/6) = 11.55(-π/3) [A]となります。

Δ結線における線電流と相電流の関係より、線電流は相電流の 1/√3 倍となり、位相はπ/6進みます。

よって
Iab = 11.55/√3(-π/3 + π/6) = 6.67(-π/6) [A]となります。

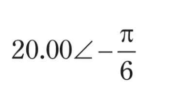
選択肢1. 解答選択肢の画像

電流の大きさが20Aとなっていますが、Δ結線の線電流は負荷側の相電流より小さくなります。

また、Y結線負荷により相電圧は線間電圧より小さくなるため、この値には変換が反映されていません。

したがって、この値は誤りです。

選択肢2. 解答選択肢の画像

Δ結線における線電流は、負荷側の相電流の 1/√3 倍となり、位相はπ/6進みます。

計算すると電流は約6.67A、位相は−π/6となり、条件を満たしています。

したがって、この値は正しいです。

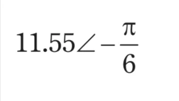
選択肢3. 解答選択肢の画像

電流の大きさが約11.55Aとなっていますが、これは負荷側の相電流の値であり、Δ結線部分の線電流ではありません。

また位相の関係もΔ結線の条件を満たしていません。

したがって、この値は誤りです。

選択肢4. 解答選択肢の画像

電流の大きさは約6.67Aですが、位相が−π/3となっています。

Δ結線における線電流は相電流よりπ/6だけ位相が進むため、正しい位相は−π/6になります。

したがって、この値は誤りです。

選択肢5. 解答選択肢の画像

電流の大きさが約11.55Aであり、これは相電流の値です。

Δ結線の線電流は相電流より小さくなるため条件を満たしていません。

また位相も一致していません。

したがって、この値は誤りです。

参考になった数4