第三種電気主任技術者(電験三種) 過去問
令和7年度(2025年)上期
問7 (理論 問7)

このページは閲覧用ページです。
履歴を残すには、 「新しく出題する(ここをクリック)」 をご利用ください。

問題

第三種電気主任技術者(電験三種)試験 令和7年度(2025年)上期 問7(理論 問7) (訂正依頼・報告はこちら)

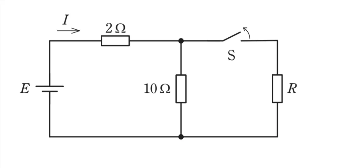
図のような直流回路において、スイッチSを閉じているとき、2Ωの抵抗を流れる電流は、スイッチSを開いたときの電流の3倍であった。Rの値[Ω]として、最も近いものを次の選択肢のうちから一つ選べ。
問題文の画像
  • 2.5
  • 3.5
  • 0.5
  • 1.5
  • 4.5

次の問題へ

正解!素晴らしいです

残念...

この過去問の解説 (1件)

01

この問題は、スイッチの開閉によって回路構成が変化する直流回路において、電流の比から未知抵抗Rを求める問題です。

2Ωの抵抗は電源と直列に接続されているため、回路を流れる全電流がそのまま2Ω抵抗を流れます。

スイッチSを開いた場合と閉じた場合で回路の合成抵抗を求め、それぞれの電流を比較することでRの値を導きます。

選択肢1. 2.5

スイッチSを開いたとき、回路は2Ωと10Ωの直列回路となり、電流は 

E/(2+10)=E/12 です。

一方、スイッチSを閉じると、10ΩとRは並列となり、その合成抵抗が2Ωになる必要があります。

10R/10R=2 を解くと R=2.5Ω となり、正しい選択肢です。

選択肢2. 3.5

R=3.5Ωとすると、10Ωとの並列合成抵抗は約2.59Ωとなり、スイッチを閉じたときの全抵抗は4.59Ωとなります。

この場合、電流比は3倍にならず、条件を満たさないため誤りです。

選択肢3. 0.5

Rが小さすぎるため、並列合成抵抗は約0.48Ωとなり、回路全体の抵抗が大幅に低下します。

その結果、電流は3倍よりも大きくなり、問題の条件に一致しません。

この選択肢は誤りです。

選択肢4. 1.5

R=1.5Ωの場合、並列合成抵抗は約1.30Ωとなり、スイッチを閉じたときの電流は3倍にはなりません。

条件を満たす合成抵抗2Ωにならないため、この選択肢は誤りです。

選択肢5. 4.5

Rが大きいため、並列合成抵抗は約3.10Ωとなり、スイッチを閉じたときの電流は3倍より小さくなります。

よって問題の条件を満たさないため誤りです。

参考になった数3