第三種電気主任技術者(電験三種) 過去問
令和7年度(2025年)上期
問6 (理論 問6)

このページは閲覧用ページです。
履歴を残すには、 「新しく出題する(ここをクリック)」 をご利用ください。

問題

第三種電気主任技術者(電験三種)試験 令和7年度(2025年)上期 問6(理論 問6) (訂正依頼・報告はこちら)

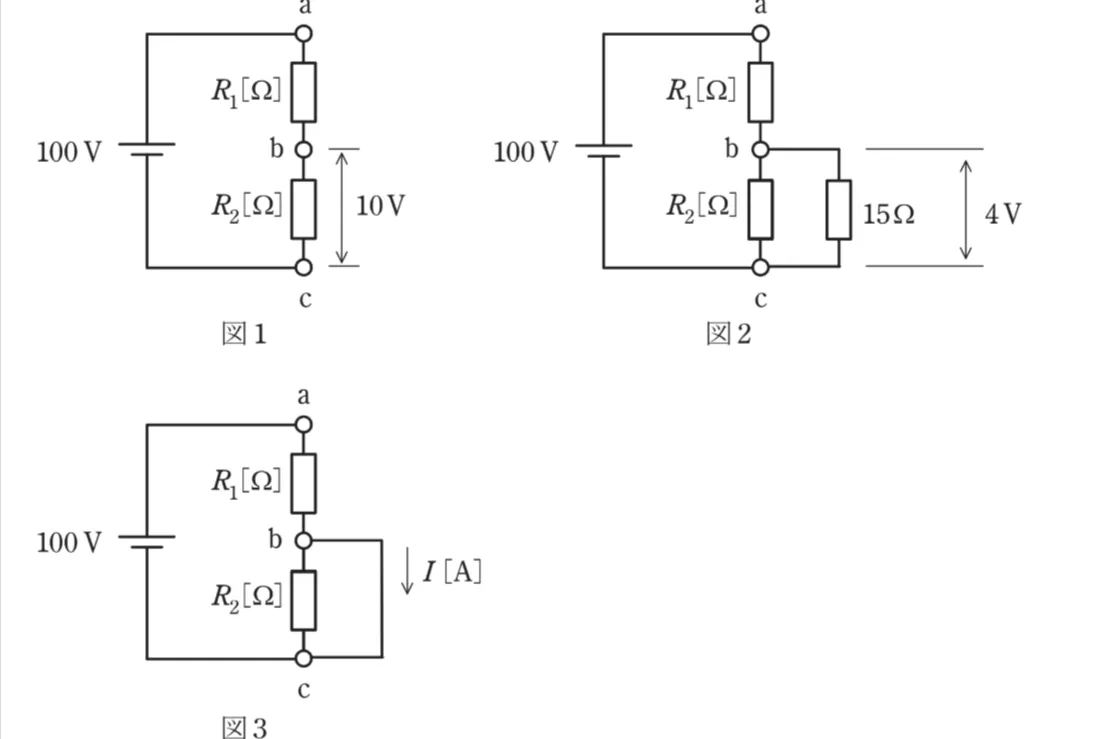
図1の直流回路において、端子a−c間に直流電圧100Vを加えたところ、端子b−c間の電圧は10Vであった。また、図2のように端子b−c間に15の抵抗を並列に追加したとき、端子b−c間の電圧は4Vであった。
今、図3のように端子b−c間を短絡したとき、電流Iの値[A]として、最も近いものを次の選択肢のうちから一つ選べ。
問題文の画像
  • 0.0
  • 0.44
  • 0.32
  • 0.40
  • 0.10

次の問題へ

正解!素晴らしいです

残念...

この過去問の解説 (1件)

01

この問題は、分圧回路の条件から抵抗 R1、R2 の値を求め、その後に端子を短絡したときの電流を求める問題です。

まず図1では、端子 a−c 間に 100V を加えたとき、b−c 間の電圧が 10V であるため、直列回路の分圧関係より R2/R1+R2=10/100=0.1 となり、これより R1=9R2 が得られます。

次に図2では、b−c 間に 15Ω を並列接続した結果、b−c 間電圧が 4V となっています。

このときの合成抵抗を用いて再び分圧関係を立てることで、R2 と R1 の具体的な値を求めることができます。

最後に図3では、端子 b−c 間が短絡されるため、R2 には電圧がかからず、電流は R1 のみで制限されることになります。

選択肢1. 0.0

端子 b−c 間を短絡すると、回路には電源電圧 100V が加わったまま電流が流れます。

電流が流れない状態ではないため、この選択肢は誤りです。

選択肢2. 0.44

図1より R1=9R2、図2の条件から計算すると R2=25Ω  R1=225Ω となります。

図3では b−c 間が短絡されているため、R2 は事実上回路から除かれ、R1 のみに 100V が加わります。

したがって電流は

I=100/225≈0.44A となり、この選択肢が正しいです。

選択肢3. 0.32

この値は、抵抗値の関係を正しく反映しておらず、R1 のみで電流が決まる条件を満たしていません。

したがって誤りです。

選択肢4. 0.40

見かけ上近い値ですが、正確な抵抗値を用いて計算すると一致しません。

よって誤りです。

選択肢5. 0.10

この値は、図1の分圧結果と混同しやすい数値ですが、短絡時の電流値ではありません。

したがって誤りです。

まとめ

この問題は

「分圧 → 抵抗値特定 → 短絡時はどの抵抗だけが効くか」

を順に整理できるかがポイントです。

参考になった数7