第三種電気主任技術者(電験三種) 過去問
令和7年度(2025年)上期
問10 (理論 問10)

このページは閲覧用ページです。
履歴を残すには、 「新しく出題する(ここをクリック)」 をご利用ください。

問題

第三種電気主任技術者(電験三種)試験 令和7年度(2025年)上期 問10(理論 問10) (訂正依頼・報告はこちら)

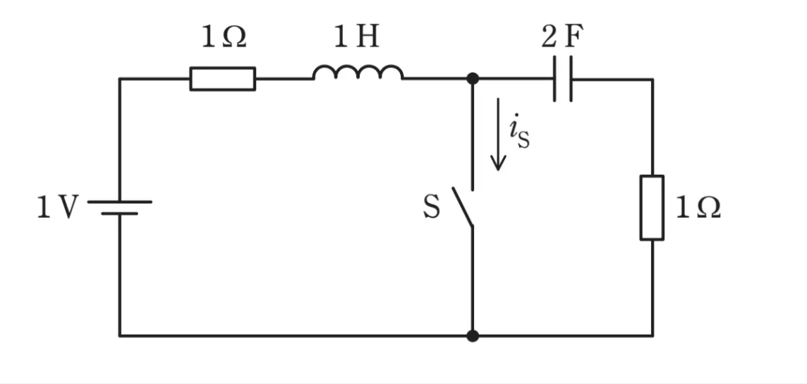
図の回路のスイッチSをt=0sで閉じる。電流iS[A]の波形として最も適切に表すものを次の選択肢のうちから一つ選べ。
ただし、スイッチSを閉じる直前に、回路は定常状態にあったとする。
問題文の画像
  • 解答選択肢の画像
  • 解答選択肢の画像
  • 解答選択肢の画像
  • 解答選択肢の画像
  • 解答選択肢の画像

次の問題へ

正解!素晴らしいです

残念...

この過去問の解説 (1件)

01

スイッチSをt=0sで閉じると、回路構成が変化し、コイルとコンデンサを含むRLC回路の過渡現象が生じます。

スイッチ投入直前は定常状態であり、コイル電流は急変できず、コンデンサ電圧も瞬時には変化しないという性質を考慮して、電流iSの時間変化を判断します。

選択肢1. 解答選択肢の画像

スイッチ投入直後に電流が1Aから減少し、その後回復する波形を示しています。

しかし、スイッチ投入直前は開回路であり、iSは流れていません。

電流が初期値1Aから始まることはなく、この波形は初期条件と一致しないため不適切です。

よってこの選択肢は誤りです。

選択肢2. 解答選択肢の画像

電流が0Aから単調に増加して定常値に達する波形です。

これはRL回路の典型的な応答であり、コンデンサを含む本回路では、エネルギーの蓄積と放出による振動的な挙動が無視されているため、適切とはいえません。

よってこの選択肢は誤りです。

選択肢3. 解答選択肢の画像

スイッチ投入直後に電流が0Aから増加し、定常値を一度上回った後、減衰しながら定常値に収束する波形を示しています。

コイル電流は不連続に変化できず、またコンデンサの影響により過渡的な振動が生じるため、このようなオーバーシュートを伴う波形となります。

したがって、この回路の電流iSの挙動を最も適切に表していますので、この選択肢が正解です。

選択肢4. 解答選択肢の画像

電流が0Aから増加した後に大きくオーバーシュートする波形ですが、立ち上がりが直線的であり、コイルを含む回路の初期挙動として不自然です。

実際には、インダクタンスの影響により電流の変化はなめらかになります。

よってこの選択肢は誤りです。

選択肢5. 解答選択肢の画像

スイッチ投入直後から一定の電流が流れる波形です。

しかし、コイルを含む回路では電流は瞬時に変化できないため、t=0sで突然一定値になることはありません。

よってこの選択肢は誤りです。

参考になった数5