第三種電気主任技術者(電験三種) 過去問
令和7年度(2025年)上期
問60 (機械 問16(b))
問題文
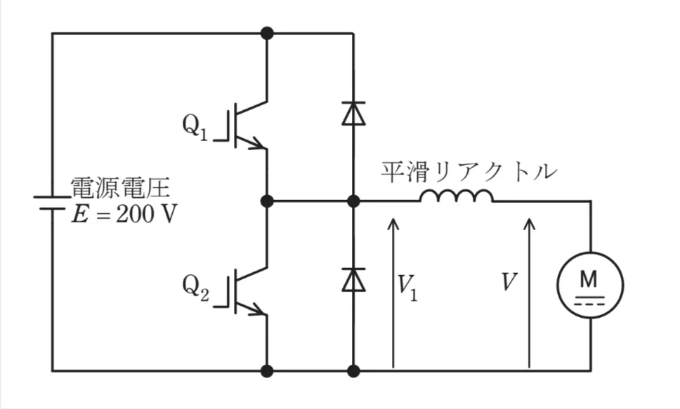
図のように他励直流機を直流チョッパで駆動する。電源電圧はE=200Vで一定とし、直流機の電機子電圧をVとする。IGBT Q1及びQ2をオンオフ動作させるときのスイッチング周波数は500Hzであるとする。なお、本問では直流機の定常状態だけを扱うものとする。次の問に答えよ。
Q1をオフしてQ2をオンオフ制御することで、電機子電流の向きを 前問 の場合と反対にし、直流機に発電動作(回生制動)をさせることができる。この制御において、スイッチングの1周期の間でQ2がオンになっている時間が0.4msのとき、この直流機の電機子電圧Vの値[V]として、最も近いものを次の選択肢のうちから一つ選べ。
このページは閲覧用ページです。
履歴を残すには、 「新しく出題する(ここをクリック)」 をご利用ください。
問題
第三種電気主任技術者(電験三種)試験 令和7年度(2025年)上期 問60(機械 問16(b)) (訂正依頼・報告はこちら)
図のように他励直流機を直流チョッパで駆動する。電源電圧はE=200Vで一定とし、直流機の電機子電圧をVとする。IGBT Q1及びQ2をオンオフ動作させるときのスイッチング周波数は500Hzであるとする。なお、本問では直流機の定常状態だけを扱うものとする。次の問に答えよ。
Q1をオフしてQ2をオンオフ制御することで、電機子電流の向きを 前問 の場合と反対にし、直流機に発電動作(回生制動)をさせることができる。この制御において、スイッチングの1周期の間でQ2がオンになっている時間が0.4msのとき、この直流機の電機子電圧Vの値[V]として、最も近いものを次の選択肢のうちから一つ選べ。
- 1,000
- 250
- 200
- 160
- 40
正解!素晴らしいです
残念...
この過去問の解説 (1件)
01
この問題を解くためには、直流チョッパの回生制動時の関係
「電機子電圧V=(1-デューティー比D)×電源電圧E」を用いて計算します。
スイッチング周波数500[Hz]より、1周期の時間は1/500=0.002[s]=2[ms]となります。
Q2がオンの時間は0.4[ms]であることから、デューティー比DはD=0.4/2.0=0.2となります。
よって、電機子電圧VはV=(1-D)E=(1-0.2)×200=160[V]となります。
この選択肢は誤りです。
この選択肢は誤りです。
この選択肢は誤りです。
この選択肢は正解です。
この選択肢は誤りです。
参考になった数0
この解説の修正を提案する
前の問題(問59)へ
令和7年度(2025年)上期 問題一覧
次の問題(問61)へ