第三種電気主任技術者(電験三種) 過去問
令和5年度(2023年)下期
問42 (電力 問17(b))

このページは閲覧用ページです。
履歴を残すには、 「新しく出題する(ここをクリック)」 をご利用ください。

問題

第三種電気主任技術者(電験三種)試験 令和5年度(2023年)下期 問42(電力 問17(b)) (訂正依頼・報告はこちら)

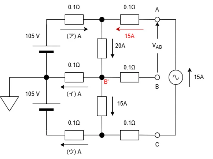
図のような単相3線式配電線路がある。系統の中間点に図のとおり負荷が接続されており、末端のAC間に太陽光発電設備が逆変換装置を介して接続されている。各部の電圧及び電流が図に示された値であるとき、次の問に答えよ。
ただし、図示していないインピーダンスは無視するとともに、線路のインピーダンスは抵抗であり、負荷の力率は1、太陽光発電設備は発電出力電流(交流側)15A、力率1で一定とする。

図中AB間の端子電圧VABの値[V]として、最も近いものを次の(1)~(5)のうちから一つ選べ。
問題文の画像
  • 104
  • 104.5
  • 105
  • 105.5
  • 106

次の問題へ

正解!素晴らしいです

残念...

この過去問の解説 (3件)

01

前問からの続きとなります。

図中AB間の端子電圧VABの値[V]を求めていきます。

 

単相3線式配電線路からと太陽光発電設備からの電流の向きに気を付けてください。

A点の電位は太陽光発電設備から出る電流と単相3線式配電線路から電流がぶつかり合う形となります。なので単相3線式配電線路から来る電流は逆起電力となりマイナスとなり電位は次のようになります。

・VA=105-0.1×5+0.1×15=106[V]

続いてB点の電位は太陽光発電設備とはつながっておらず、単相3線式配電線路に向かう形となるので電流の方向は同一となるのでプラスとなります。

・VB=0.1×0+0.1×0.5+0=0.5[V]

※単相3線式配電線路の中性点は接地されているので電位は0[V]となります。

 

最後に端子電圧VABの値[V]を求めます。

・VAB=VA-VB=106-0.5=105.5[V]

以上となります。

 

 

 

選択肢4. 105.5

こちらが適切な解答なります。

まとめ

単相3線式に関する計算問題は定期的に出題されている印象があるので、類題なども問いて慣れる事をお薦め致します。

参考になった数8

02

この問題は、回路図の任意の端子間の電圧を求める問題です。

 

この問題に必要な量記号や値は以下の通り。

線路のインピーダンス:0.1[Ω]

 

端子Aの電位:VA[V]

端子Bの電位:VB[V]

AB間の端子電圧:VAB[V]

 

その他、必要な値は以下の図に記載した通りです。

 

選択肢4. 105.5

◆端子Aの電位を求めます

端子Aのある線路の値から電位を求めていきます。

VA=105−0.1✕5+0.1✕5

=106[V]

 

◆端子Bの電位を求めます

端子Bのある線路の値から電位を求めていきます。

VB=0+0.1✕5+0.1✕0

=0.5[V]

 

◆AB間の端子電圧を求めます

VAB=VA−VB

=106−0.5

=105.5[V]

 

※注意!

端子Aの電位を求める時、電流の向きに注意する必要があります。

この解き方の場合、回路図の右から左に流れる向きを正の方向としています。

従って、端子Aの電位を求める時に太字の部分がマイナスとなっています。

参考になった数6

03

105.5V

 

 

上図のように、配線抵抗を抵抗に置き変え整理し、点B'を定義します。

VAB=VA-VBよりVAbを求めます。

VA、VBをそれぞれ求めます。

 

・VAについて

上図より、(ア)の電流は20-15=5Aであることがわかるので、

Aの電位VAは上段を流れる電流に注目し、

VA=105-0.1×5+0.1×15=106[V]と求められます。

※矢印と同じ向きの電圧降下を負としています。

 

 

・VBについて

端子Bに負荷は接続されていないのでBに電流は流れず、Bの電位はB’と同じになります。

また、(イ)の電流は、20-15=5Aであることがわかります。

よって、端子Bの電位VBは、

VB=0.1[Ω]×5[A]=0.5[V]と求められます。

※矢印と同じ向きの電圧降下を負としています。

 

 

よって、求める電圧VABは、VA-VB=106-0.5=105.5Vになります。

 

選択肢4. 105.5

正解の選択肢になります。

まとめ

回路自体は抵抗のみの回路で、各点の電位を求める問題なので、基礎をしっかり押さえておけば解ける問題になります。

符号(電流の向き)に注意しながら式を立てましょう。

参考になった数2